Редуктор ЦДНД 400

Цилиндрический Редуктор ЦДНД 400 состоит из шестеренок. Для того чтобы они постоянно работали и без особых проблем выполняли работу, то для этого они должны постоянно быть смазаны специальной жидкостью. В этом случае они не будут, как говорится стираться. Для того чтобы в них попадало как можно меньше пыли и грязи, они находятся в специальном корпусе, который в свою очередь состоит из прочного метала. Поэтому цилиндрический Редуктор ЦДНД 400 и обладает всеми качествами, чтобы работать долгое время. И из-за его выносливости, он является незаменимым в производстве. А также выполняет самые сложные задачи по подъемам грузов.
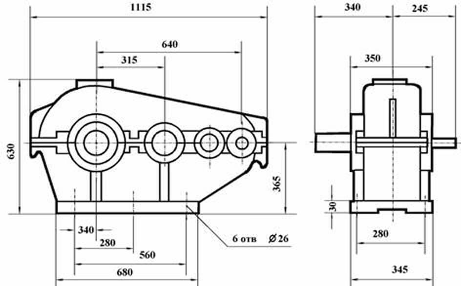
Чертежи
Технические характеристики

Чертежи

Габаритные и присоединительные размеры

Присоединительные размеры валов


Технические характеристики

Технические характеристики